Página 56 de 58 PrimeroPrimero ... 7324246515455565758 ÚltimoÚltimo
Mostrando resultados del 661 al 672 de 688

Tema: Foto Ultra RAPIDA. como captar lo que no congelamos con un flash normal

  1. #661
    Fecha de Ingreso
    dic 2007
    Ubicación
    Valencia
    Mensajes
    289

    Predeterminado



    Cita Iniciado por Chipoblete Ver Mensaje
    He intentado reproducir el circuito que se comentó en post anteriores


    y tras reproducirlo en un programa simulador me encuentro con la sorpresa que a la electroválvula no le llega la señal de masa.
    Si invierto las conexiones y conecto la patilla 1 del Mosfet (S) a la electroválvula y la patilla 3 (D) a masa en ese caso sí que funciona.
    Realizando las conexiones de este modo sí que funciona.



    ¿Hay algún error en el circuito? ¿que opinais?
    Hola,
    pégale un vistazo a los pines 1 y 3 del mosfet (parece que los tienes conectados al revés).
    Fujifilm X-E2 + Lumix LX100 + 18-55 \ 50-230 \ 56f1.2
    instagram: franhbook

  2. #662
    Fecha de Ingreso
    dic 2006
    Ubicación
    Castilla La Mancha
    Mensajes
    920

    Predeterminado

    Gracias, creo que ya sé donde está el problema.
    Para que la simulación funcione correctamente es necesario que se aplique señal y esto no estaba contemplado en el esquema. Una vez corregido el error el circuito inicial funciona perfectamente.
    os dejo el esquema por si alguien realiza la simulación.

    http://fotostrenado.tumblr.com/
    Canon EOS 6D + objetivos + accesorios diversos.

  3. #663
    Fecha de Ingreso
    dic 2006
    Ubicación
    Castilla La Mancha
    Mensajes
    920

    Predeterminado

    Con respecto al esquema anterior y una vez se realice el montaje práctico ¿la masa de la alimentación de 5 voltios debe conectarse a la masa de la alimentación de 12 V?
    http://fotostrenado.tumblr.com/
    Canon EOS 6D + objetivos + accesorios diversos.

  4. #664
    Fecha de Ingreso
    jun 2009
    Mensajes
    399

    Predeterminado

    Cita Iniciado por Chipoblete Ver Mensaje
    Con respecto al esquema anterior y una vez se realice el montaje práctico ¿la masa de la alimentación de 5 voltios debe conectarse a la masa de la alimentación de 12 V?
    Efectivamente

  5. #665
    Fecha de Ingreso
    dic 2006
    Ubicación
    Castilla La Mancha
    Mensajes
    920

    Predeterminado

    El circuito en la práctica funciona perfectamente. Gracias.
    http://fotostrenado.tumblr.com/
    Canon EOS 6D + objetivos + accesorios diversos.

  6. #666
    Fecha de Ingreso
    jul 2008
    Ubicación
    La Unión
    Mensajes
    160

    Predeterminado

    Hola a todos, primero dar las gracias a Kalanda por este pedazo de proyecto.

    yo también me he animado y voy a construir un Photoduino, aunque no tengo ni idea de electrónica.

    mi intención es fotografiar principalmente colisiones de gotas y el aporte de la electrovalvula es mágnifico.

    entonces mi duda es la siguiente, ¿este circuito es el iría conectado a la salida reserved? y la alimentación de 12V necesaria se le aporta a la electrovalvula directamente? tengo un lio con esto de los 9V de la placa y ahora 12V

    un saludo

  7. #667
    Fecha de Ingreso
    dic 2006
    Ubicación
    Castilla La Mancha
    Mensajes
    920

    Predeterminado

    Cita Iniciado por nelaco Ver Mensaje
    Hola a todos, primero dar las gracias a Kalanda por este pedazo de proyecto.

    yo también me he animado y voy a construir un Photoduino, aunque no tengo ni idea de electrónica.

    mi intención es fotografiar principalmente colisiones de gotas y el aporte de la electrovalvula es mágnifico.

    entonces mi duda es la siguiente, ¿este circuito es el iría conectado a la salida reserved? y la alimentación de 12V necesaria se le aporta a la electrovalvula directamente? tengo un lio con esto de los 9V de la placa y ahora 12V

    un saludo
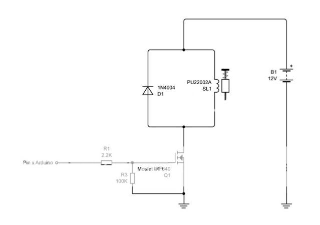
    En primer lugar aclarar que el esquema está publicado basándome en arduino porque las pruebas las estoy realizando con él, pero seria un circuito básico para cualquier otro montaje, por otra parte hay otro hilo donde se trata el tema específico de Photoduino.

    Con toda seguridad te podrán dar una explicación mucho mas precisa que esta, pero espero que al meno te sirva como idea general.
    El circuito publicado es el que permite combinar y proteger un circuito controlador de la electroválvula.

    Como ves en el esquema hay una alimentación de 12 voltios para la electroválvula y en el otro extremo está arduino con su alimientación correspondiente.
    El mosfet es el encargado que ambos voltajes digamos, que no entren en conflicto de tal forma que cada elemento tiene su alimentación permitiendo que arduino envie la señal correspondiente a la electroválvula sin peligro.
    http://fotostrenado.tumblr.com/
    Canon EOS 6D + objetivos + accesorios diversos.

  8. #668
    Fecha de Ingreso
    ene 2008
    Ubicación
    Málaga
    Mensajes
    475
    Entradas de Blog
    1

    Predeterminado

    Cita Iniciado por warloofer Ver Mensaje

    ...En el segundo circuito (el de mosfet) también te hace falta una resistencia entre Gate y masa, ya que sinó no se descarga correctamente el condensador interno y no conmuta bien.
    Después de esto el esquema ha quedado así:


    Tengo una duda electrónica. Si del pin Arduino programamos una salida 0v. ó 5v. para cerrar o abrir la electroválvula, en el caso de tener una salida de 0v. la descarga que comentas se podría hacer a traves de R1. ¿seguiría siendo necesaria R3?
    30D + Sigma FE-530 DG Super

  9. #669
    Fecha de Ingreso
    dic 2006
    Ubicación
    Castilla La Mancha
    Mensajes
    920

    Predeterminado

    En la práctica no he probado a eliminar esa resistencia, pero en la simulación lo que ocurre que en lugar de producirse una descarga inmediata se produce una descarga lenta, la imagen en el osciloscopio pasa de ser un rectángulo perfecto a tener una caida que va curvándose progresivamente.
    Tal y como está representado el esquema lo he conectado a arduino y funciona perfectamente.
    http://fotostrenado.tumblr.com/
    Canon EOS 6D + objetivos + accesorios diversos.

  10. #670
    Fecha de Ingreso
    dic 2007
    Ubicación
    Valencia
    Mensajes
    289

    Predeterminado

    Cita Iniciado por magl Ver Mensaje
    Después de esto el esquema ha quedado así:


    Tengo una duda electrónica. Si del pin Arduino programamos una salida 0v. ó 5v. para cerrar o abrir la electroválvula, en el caso de tener una salida de 0v. la descarga que comentas se podría hacer a traves de R1. ¿seguiría siendo necesaria R3?
    R3 no tiene nada que ver con la electroválvula. El pin Gate del mosfet tiene una capacidad interna que si no la descargas, tarda más tiempo en conmutar cuando se deja de aplicar tensión (exáctamente lo que ha dicho chipoblete).
    Fujifilm X-E2 + Lumix LX100 + 18-55 \ 50-230 \ 56f1.2
    instagram: franhbook

  11. #671
    Fecha de Ingreso
    ene 2008
    Ubicación
    Málaga
    Mensajes
    475
    Entradas de Blog
    1

    Predeterminado

    Pensaba que cuando la salida del pin Arduino pasa de un valor alto a cero, tomaría el mismo valor que masa, y entonces la capacidad interna del Gate del MOSFET se descargaría a traves de R1.
    30D + Sigma FE-530 DG Super

  12. #672
    Fecha de Ingreso
    dic 2007
    Ubicación
    Valencia
    Mensajes
    289

    Predeterminado

    Cita Iniciado por magl Ver Mensaje
    Pensaba que cuando la salida del pin Arduino pasa de un valor alto a cero, tomaría el mismo valor que masa, y entonces la capacidad interna del Gate del MOSFET se descargaría a traves de R1.
    Depende de la tipología de los pins de salida del Arduíno (pull-up, pull-down o push-pull). En pull-up y push-pull no sería necesario.

    También depende de la velocidad con la que quieras hacer conmutar el mosfet. Cuanto mayor velocidad quieras, menor tiene que ser la resistencia a tierra.

    Como los mosfet tienen una capacidad interna, la resistencia en serie hace las funciones de limitación, aunque 2k igual es demasiado. Si se trata de una salida push-pull o pull-up, creo que la resistencia de 100k sería eliminable, al igual que a la vez se podría reducir la resistencia en serie entre Gate y el pin.

    No obstante, hace muchísimos años que no he trabajado con mosfets y no os lo puedo confirmar a ciencia cierta.

    Saludos
    Fujifilm X-E2 + Lumix LX100 + 18-55 \ 50-230 \ 56f1.2
    instagram: franhbook

Página 56 de 58 PrimeroPrimero ... 7324246515455565758 ÚltimoÚltimo

Temas Similares

  1. 580 EX - Como pasar de flash rapido a normal
    Por alonai en foro Iluminación
    Respuestas: 4
    Último mensaje: 18/08/08, 00:01:46
  2. Respuestas: 16
    Último mensaje: 12/08/08, 08:00:52
  3. como captar colores?
    Por TAJ en foro Opticas en General
    Respuestas: 9
    Último mensaje: 09/05/07, 22:07:07
  4. Flash normal vs flash de estudio
    Por asher en foro Iluminación
    Respuestas: 2
    Último mensaje: 11/12/06, 10:31:06
  5. Compact Flash KINGSTON Ultra 50x Elite Pro
    Por Chileno_decorazon en foro Comprar
    Respuestas: 2
    Último mensaje: 02/09/05, 15:12:10

Tags for this Thread

Marcadores

Normas de Publicación

  • No puedes crear nuevos temas
  • No puedes responder temas
  • No puedes subir archivos adjuntos
  • No puedes editar tus mensajes
  •